Öljetter i rostfritt stål
  • Öljetter i rostfritt stål Öljetter i rostfritt stål

Öljetter i rostfritt stål

Nuote Metals är en av de ledande pionjärerna inom tillverkning av öglor i rostfritt stål i Kina, öglor i rostfritt stål är gjorda av rostfri stålplåt, de ger överlägsen korrosionsbeständighet jämfört med stålöglor, vilket gör den idealisk för applikationer som utsätts för fukt eller tuffa miljöer.

Skicka förfrågan

Produktbeskrivning

Introduktion av öljetter i rostfritt stål


Rostfria öglor är cirkulära metallfästen som används för att förstärka förstansade hål i tyg och andra mjuka material. De är gjorda av ett enda stycke material som sätts in i hålet och sedan komprimeras med ett handverktyg eller en maskin för att permanent säkra metallöglan.


stainless steel eyelets


applikation av rostfria öglor visar:


stainless steel eyelets 

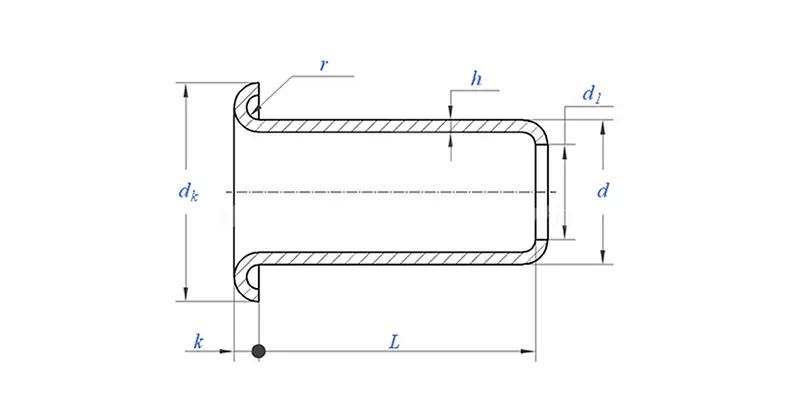
Produktparameter (specifikation)


Material

rostfritt stål

Ytbehandling

Ren, zinkplätering, nickelplätering, silverplätering, enligt önskemål

Certifikat

Rohs-kompatibel

Skaftdiameter

0,8-10 mm

Tolerans

+/-0,05 mm

Ansökan

 Lämplig för användning i olika industrier, inklusivefordon, flyg, el och elektronik,  etc.

Kvalitetskontroll

100 % inspektion av hela sortimentet genom produktion säkerställer att varje produkt uppfyller ISO-standarden, vilket garanterar produkter av hög kvalitet.



Produktfunktion och applikation


Rostfria öglor är metallfästen som används för att förstärka hål och täcka vassa kanter i metall och plast. de används ofta för kläder, skor, presenningar, skyltar och banderoller, segel, flaggor, duschdraperier och många andra applikationer.


öglor i rostfritt stål Produktionsdetaljer


stainless steel eyelets


Förpackningsinformation


stainless steel eyelets


Vanliga frågor:


F1: Vad är din MOQ för öglor i rostfritt stål?

MOQ för nitar är 20 000 st.


F2: Kan du skräddarsy med vår ritning?

Ja, de flesta av våra öljetter är skräddarsydda med kundens ritning.


F3: Kan du ge gratis prover på öglenitarna?

Vi kan tillhandahålla gratisprover för den storlek vi har i lager, men kunderna kommer att betala expressavgifterna.


F4: Vad är din leveranstid?

Storlek på nitar i lager: 3-5 dagar, Icke-standardnitar: 15-25 dagar. Vi kommer att göra leveransen så snart som möjligt med garantikvalitet.


F5: Kvaliteten på dina produkter?

Företaget har avancerad produktions- och testutrustning. Varje produkt kommer att inspekteras till 100 % av vår QC-avdelning innan leverans.


F6: Varför väljer vi Nuote Technology?

1.We Nuote respekterar kundvillkoren för att skydda kundernas integritetsprojekt.

2.Hög kvalitet med attraktivt pris

3. Snabb ledtid

4. Glad affär och ärlighet till kund och partner

5. Professionell försäljningsannons svarar på din förfrågan med 8 timmar.

6.Nuotes produkter och tjänster säljs till mer än 70 länder med gott rykte




Hot Tags: Öljetter i rostfritt stål
Relaterad kategori
Skicka förfrågan
Lämna gärna din förfrågan i formuläret nedan. Vi kommer att svara dig inom 24 timmar.
X
Vi använder cookies för att ge dig en bättre webbupplevelse, analysera webbplatstrafik och anpassa innehåll. Genom att använda denna sida godkänner du vår användning av cookies. Sekretesspolicy