Oilcan öljetter

Oilcan öljetter

Oljekannöglor i rostfritt stål är speciella små ringar som används i oljeburkar. De är uppkallade efter sin klassiska användning i traditionella oljeburkar. Nuote Metals i Dongguan, Kina producerar pålitliga oljekannöglor i rostfritt stål med olika storlekar.

Skicka förfrågan

Produktbeskrivning

Introduktion av Oilcan Eyelets

Dessa oljeburkar är gjorda av ett enda stycke rostfritt stål. Detta gör dem starka och motståndskraftiga mot rost, vilket är mycket viktigt för långvarig användning. Designen inkluderar ett ihåligt centrum och ett förformat spår. Denna skåra gör det lätt att krympa oljekannans öglor säkert i ett plåthål utan större ansträngning. Installationen går snabbt och skapar en tät och permanent tätning.


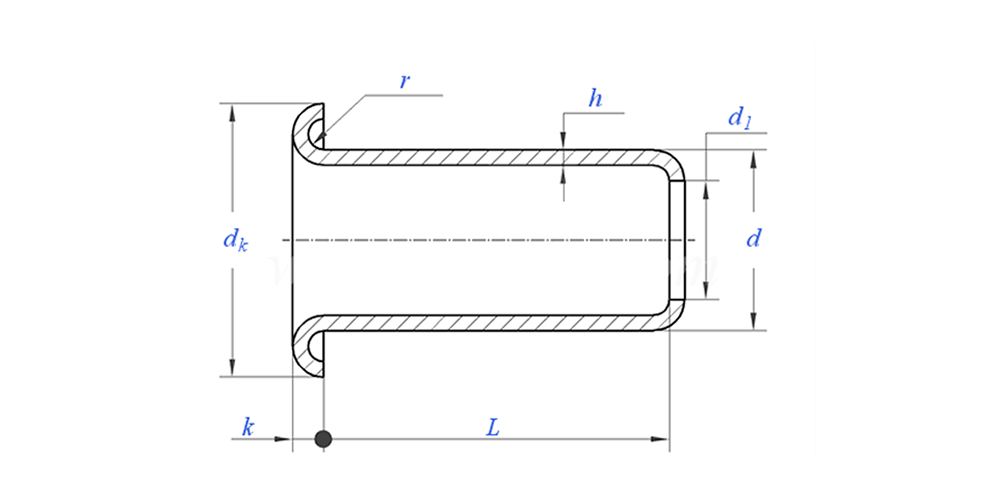
Oilcan Eyelets ritning enligt nedan:

applicering av oilcan eyelets visar:

Oilcan Eyelets Parameter (Specifikation)


Material Rostfritt stål 304
Ytbehandling Ren, zinkplätering, nickelplätering, silverplätering, enligt önskemål
Certifikat Rohs-kompatibel
Skaftdiameter 0,8-10 mm
Tolerans +/-0,05 mm
Ansökan Lämplig för användning inom olika industrier, inklusive fordon, flyg, el och elektronik, etc.
Kvalitetskontroll

100 % inspektion av hela sortimentet genom produktion säkerställer att varje produkt uppfyller ISO-standarden, vilket garanterar produkter av hög kvalitet.


Oilcan Eyelets Funktion och tillämpning

Du hittar dessa oljeburkar där de behövs som mest: på pipen på en oljeburk. De skapar ett jämnt, förstärkt hål för oljan att rinna igenom. Denna enkla del gör burken enklare och renare att använda. Det gör också pipen mycket starkare, så att den inte slits ut lätt. Utan en bra oljekannögla kan metallkanten bli grov och orsaka läckor. Det är därför denna lilla del är så viktig för en pålitlig oljekanna.


oljekannöglor Produktionsdetaljer

Förpackningsinformation


Vanliga frågor:

F1: Vad är din MOQ för öglor för oljeburkar?

MOQ för nitar är 20 000 st.


F2: Kan du skräddarsy med vår ritning?

Ja, de flesta av våra tubulära nitar är skräddarsydda med kundens ritning.


F3: Kan du ge gratis prover på de ihåliga nitarna?

Vi kan tillhandahålla gratisprover för den storlek vi har i lager, men kunderna kommer att betala expressavgifterna.


F4: Vad är din leveranstid?

Storlek på nitar i lager: 3-5 dagar, Icke-standardnitar: 15-25 dagar. Vi kommer att göra leveransen så snart som möjligt med garantikvalitet.


F5: Kvaliteten på dina produkter?

Företaget har avancerad produktions- och testutrustning. Varje produkt kommer att inspekteras till 100 % av vår QC-avdelning innan leverans.


F6: Varför väljer vi Nuote Technology?

1.We Nuote respekterar kundvillkoren för att skydda kundernas integritetsprojekt.

2.Hög kvalitet med attraktivt pris

3. Snabb ledtid

4. Glad affär och ärlighet till kund och partner

5. Professionell försäljningsannons svarar på din förfrågan med 8 timmar.

6.Nuotes produkter och tjänster säljs till mer än 70 länder med gott rykte





Hot Tags: Oilcan öglor, öglor för oljekannan, öglor i rostfritt stål för oljekannan
Relaterad kategori
Skicka förfrågan
Lämna gärna din förfrågan i formuläret nedan. Vi kommer att svara dig inom 24 timmar.
X
Vi använder cookies för att ge dig en bättre webbupplevelse, analysera webbplatstrafik och anpassa innehåll. Genom att använda denna sida godkänner du vår användning av cookies. Sekretesspolicy