316 öljetter i rostfritt stål

316 öljetter i rostfritt stål

På vår anläggning i Dongguan tillverkar Nuote Metals hållbara 316 öglor i rostfritt stål. Detta material är speciellt eftersom det motstår rost mycket bra. Vi har tillverkat 316 öglor i rostfritt stål i många år. Dessa öljetter är starka och kan hålla länge. Vi gör dem i olika storlekar. Vissa är små för ömtåliga produkter. Vissa är stora för tung användning. Varje 316 ögla i rostfritt stål kontrolleras av vårt team. De säkerställer att varje del är slät och ren. Många kunder väljer våra 316 rostfria öglor. De litar på kvalitet och hållbarhet. Vi kan tillhandahålla prover inom några dagar.

Skicka förfrågan

Produktbeskrivning

316 öljetter av rostfritt stål Introduktion

316 öglor i rostfritt stål är gjorda av högkvalitativt stål. Detta stål innehåller molybden. Det gör att 316 öglor i rostfritt stål motstår korrosion bättre. De rostar inte i saltvatten eller fuktig luft. Dessa öglor är också starka under tryck. De böjs eller går inte sönder lätt. För att tillverka 316 öglor i rostfritt stål använder vi precisa maskiner. Maskinerna skär och formar stålet till perfekta ringar. Sedan polerar vi varje 316 rostfritt stålögla. Detta ger dem en fin finish och släta kanter.


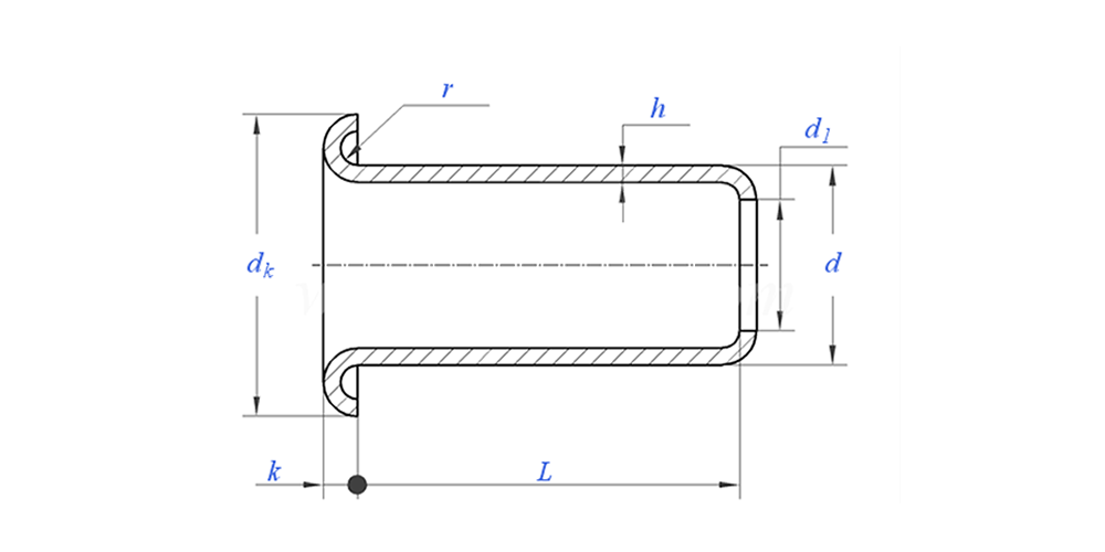
316 öglor i rostfritt stål ritar enligt nedan:

316 öglor i rostfritt stål (specifikation)



Material rostfritt stål
Ytbehandling Ren, zinkplätering, nickelplätering, silverplätering, enligt önskemål
Certifikat Rohs-kompatibel
Skaftdiameter 0,8-10 mm
Tolerans +/-0,05 mm
Ansökan Lämplig för användning i olika industrier, inklusive fordon, flyg, el och elektronik, etc.
Kvalitetskontroll 100 % inspektion av hela sortimentet genom produktion säkerställer att varje produkt uppfyller ISO-standarden, vilket garanterar produkter av hög kvalitet.


316 rostfria öljetter Funktion och tillämpning

316 öglor i rostfritt stål används i tuffa miljöer. Båt- och marinutrustning använder dem på grund av saltvatten. Utomhusarmaturer använder dem i alla väder. Kemiska anläggningar behöver dem ibland på grund av deras motståndskraft. Utrustning för livsmedelsbearbetning kan också använda dem. Utomhusutrustning av hög kvalitet behöver dessa öglor. Även arkitektoniska projekt använder 316 öglor i rostfritt stål för dekoration och funktion. De är valda där vanliga öljetter skulle rosta. Våra kunder litar på våra 316 öglor i rostfritt stål för viktiga applikationer. De vet att dessa öljetter kommer att fungera bra och se bra ut i flera år. Vi är stolta över att göra så pålitliga produkter här i Dongguan.


316 öljetter i rostfritt stål


Vanliga frågor:

F1: Vad är din MOQ för 316 öglor i rostfritt stål?

MOQ för nitar är 20 000 st.


F2: Kan du skräddarsy med vår ritning?

Ja, de flesta av våra tubulära nitar är skräddarsydda med kundens ritning.


F3: Kan du ge gratis prover på de ihåliga nitarna?

Vi kan tillhandahålla gratisprover för den storlek vi har i lager, men kunderna kommer att betala expressavgifterna.


F4: Vad är din leveranstid?

Storlek på nitar i lager: 3-5 dagar, Icke-standardnitar: 15-25 dagar. Vi kommer att göra leveransen så snart som möjligt med garantikvalitet.


F5: Kvaliteten på dina produkter?

Företaget har avancerad produktions- och testutrustning. Varje produkt kommer att inspekteras till 100 % av vår QC-avdelning innan leverans.


F6: Varför väljer vi Nuote Technology?

1.We Nuote respekterar kundvillkoren för att skydda kundernas integritetsprojekt.

2.Hög kvalitet med attraktivt pris

3. Snabb ledtid

4. Glad affär och ärlighet till kund och partner

5. Professionell försäljningsannons svarar på din förfrågan med 8 timmar.

6.Nuotes produkter och tjänster säljs till mer än 70 länder med gott rykte

Hot Tags: 316 öglor i rostfritt stål, SUS316L öglor, Kina öglor i rostfritt stål
Relaterad kategori
Skicka förfrågan
Lämna gärna din förfrågan i formuläret nedan. Vi kommer att svara dig inom 24 timmar.
X
Vi använder cookies för att ge dig en bättre webbupplevelse, analysera webbplatstrafik och anpassa innehåll. Genom att använda denna sida godkänner du vår användning av cookies. Sekretesspolicy