Tältöglor

Tältöglor

Vi är Nuote Metals från Dongguan Kina. Vår fabrik tillverkar starka tältöglor för utomhusbruk. Vi har tillverkat tältöglor i många år. Våra tältöglor är gjorda av bra material. Vi använder rostfritt stål och mässing som inte rostar. Vi tillverkar tältöglor i olika storlekar. Vissa är små för lätta tält. Vissa är stora för tunga tält. Varje tältögla kontrolleras av våra arbetare. De ser till att varje tältögla är perfekt. Många campingföretag köper våra tältöglor. De gillar vår goda kvalitet och rättvisa pris.

Skicka förfrågan

Produktbeskrivning

Introduktion till tältöglor

Tältöglor är metallringar för tält. De läggs på tälttyg. Rep och stavar går genom dessa tältöglor. Tältöglorna gör tältet starkt och stabilt. De hindrar tälttyget från att slita i vinden. Bra tältöglor kan hålla i många år. Även i regn och sol går de inte sönder. Att sätta in tältöglor behöver en speciell maskin. Maskinen trycker in tältöglan i tyget. Då sitter tältöglan där stadigt.



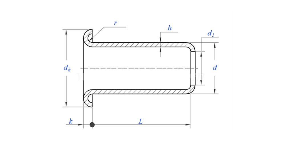
Parameter för tältöglor (specifikation)



Material Mässing, stål, aluminium, rostfritt stål, koppar
Ytbehandling Ren, zinkplätering, nickelplätering, silverplätering, enligt önskemål
Certifikat Rohs-kompatibel
Skaftdiameter 0,8-10 mm
Tolerans +/-0,05 mm
Ansökan Lämplig för användning inom olika industrier, inklusive fordon, flyg, el och elektronik, etc.
Kvalitetskontroll 100 % inspektion av hela sortimentet genom produktion säkerställer att varje produkt uppfyller ISO-standarden, vilket garanterar produkter av hög kvalitet.


Tältöglor ritar enligt nedan:

Applikationsshow:


Funktion och tillämpning av tältöglor

Tältöglor används på många sätt. Alla campingtält behöver tältöglor. Stora familjetält använder många tältöglor. Skuggtält utomhus använder också tältöglor. Vissa väskor har tältöglor för att knyta. Presenningar använder tältöglor för att knyta ner. Även en del sportutrustning behöver tältöglor. Tältöglorna hjälper till att göra utomhusutrustning säker och hållbar. Därför är kvalitetstältöglor viktiga för utomhusprodukter. Våra kunder litar på våra tältöglor för deras campingbehov.


Plaggögla Produktionsdetaljer

Förpackningsinformation

Vanliga frågor:

F1: Vad är din MOQ för tältöglor?

MOQ för nitar är 20 000 st.


F2: Kan du skräddarsy med vår ritning?

Ja, de flesta av våra tubulära nitar är skräddarsydda med kundens ritning.


F3: Kan du ge gratis prover på de ihåliga nitarna?

Vi kan tillhandahålla gratisprover för den storlek vi har i lager, men kunderna kommer att betala expressavgifterna.


F4: Vad är din leveranstid?

Storlek på nitar i lager: 3-5 dagar, Icke-standardnitar: 15-25 dagar. Vi kommer att göra leveransen så snart som möjligt med garantikvalitet.


F5: Kvaliteten på dina produkter?

Företaget har avancerad produktions- och testutrustning. Varje produkt kommer att inspekteras till 100 % av vår QC-avdelning innan leverans.


F6: Varför väljer vi Nuote Technology?

1.We Nuote respekterar kundvillkoren för att skydda kundernas integritetsprojekt.

2.Hög kvalitet med attraktivt pris

3. Snabb ledtid

4. Glad affär och ärlighet till kund och partner

5. Professionell försäljningsannons svarar på din förfrågan med 8 timmar.

6.Nuotes produkter och tjänster säljs till mer än 70 länder med gott rykte


Hot Tags: Tältöglor, Tillverkare av tältöglor, Kina Tältöglor
Relaterad kategori
Skicka förfrågan
Lämna gärna din förfrågan i formuläret nedan. Vi kommer att svara dig inom 24 timmar.
X
Vi använder cookies för att ge dig en bättre webbupplevelse, analysera webbplatstrafik och anpassa innehåll. Genom att använda denna sida godkänner du vår användning av cookies. Sekretesspolicy