Öljetter för PCB
  • Öljetter för PCB Öljetter för PCB

Öljetter för PCB

Öljetter för PCB har en hållbar, cylindrisk form som lägger till förstärkning till stansade hål i en mängd olika material, hjälper till att förhindra fransning och erbjuder rena, färdiga kanter. Nuote Metals är en tillverkare av PCB-öglor i Kina i mer än 10 år, vi har många storlekar i lager.

Skicka förfrågan

Produktbeskrivning

Införande av öglor för PCB


Den vanligaste öljettformen är den vanliga runda öglan, som används flitigt på grund av sin enkla och effektiva design. PCB-öglor är vanligtvis platta på huvudet.


öglor för PCB


eyelets for PCB


Applikationen för metallöglor visar:


eyelets for PCB



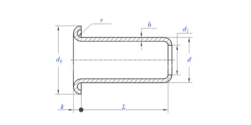
Produktparameter (specifikation)


Material

Mässing, stål, koppar, rostfritt stål

Ytbehandling

Ren, zinkplätering, nickelplätering, silverplätering, enligt önskemål

Certifikat

Rohs-kompatibel

Skaftdiameter

0,8-10 mm

Tolerans

+/-0,05 mm

Ansökan

 Lämplig för användning i olika industrier, inklusivefordon, flyg, el och elektronik,  etc.

Kvalitetskontroll

100 % inspektion av hela sortimentet genom produktion säkerställer att varje produkt uppfyller ISO-standarden, vilket garanterar produkter av hög kvalitet.


Produktfunktion och applikation


PCB-öglor är bland de mest använda och skapas genom att stansa ett hål genom den övre delen av ett kretskort.


öglor för PCB Produktionsdetaljer


eyelets for PCB


Förpackningsinformation


eyelets for PCB


Vanliga frågor:


F1: Vad är din MOQ för öglor för PCB?

MOQ för nitar är 20 000 st.


F2: Kan du skräddarsy med vår ritning?

Ja, de flesta av våra PCB-öglor är skräddarsydda med kundens ritning.


F3: Kan du ge gratis prover på de ihåliga nitarna?

Vi kan tillhandahålla gratisprover för den storlek vi har i lager, men kunderna kommer att betala expressavgifterna.


F4: Vad är din leveranstid?

Storlek på nitar i lager: 3-5 dagar, Icke-standardnitar: 15-25 dagar. Vi kommer att göra leveransen så snart som möjligt med garantikvalitet.


F5: Kvaliteten på dina produkter?

Företaget har avancerad produktions- och testutrustning. Varje produkt kommer att inspekteras till 100 % av vår QC-avdelning innan leverans.


F6: Varför väljer vi Nuote Technology?

1.We Nuote respekterar kundvillkoren för att skydda kundernas integritetsprojekt.

2.Hög kvalitet med attraktivt pris

3. Snabb ledtid

4. Glad affär och ärlighet till kund och partner

5. Professionell försäljningsannons svarar på din förfrågan med 8 timmar.

6.Nuotes produkter och tjänster säljs till mer än 70 länder med gott rykte


Hot Tags: Öljetter för PCB
Relaterad kategori
Skicka förfrågan
Lämna gärna din förfrågan i formuläret nedan. Vi kommer att svara dig inom 24 timmar.
X
Vi använder cookies för att ge dig en bättre webbupplevelse, analysera webbplatstrafik och anpassa innehåll. Genom att använda denna sida godkänner du vår användning av cookies. Sekretesspolicy