Skoöglor

Skoöglor

Vi tillverkar skoöglor på vår fabrik i Dongguan, Kina. Öljetter är små metallringar, och du kan se dem på skor för snören. de kallas också som grommets. Vi gör dem starka så att de inte går sönder när du drar åt dina snören. Våra skoöglor är gjorda av olika metaller, såsom mässing, aluminium och rostfritt stål. Och de kan göras med olika färger för att matcha alla typer av skor.

Skicka förfrågan

Produktbeskrivning

Skoöglornas huvudsakliga uppgift är att skydda skon. När du drar i dina snören tar metallringen trycket istället för skomaterialet. Detta förhindrar att hålen blir större eller går sönder. Bra skoöglor gör det också lättare att skjuta igenom dina skosnören. De hjälper dig att knyta skorna snabbt utan att snören fastnar.


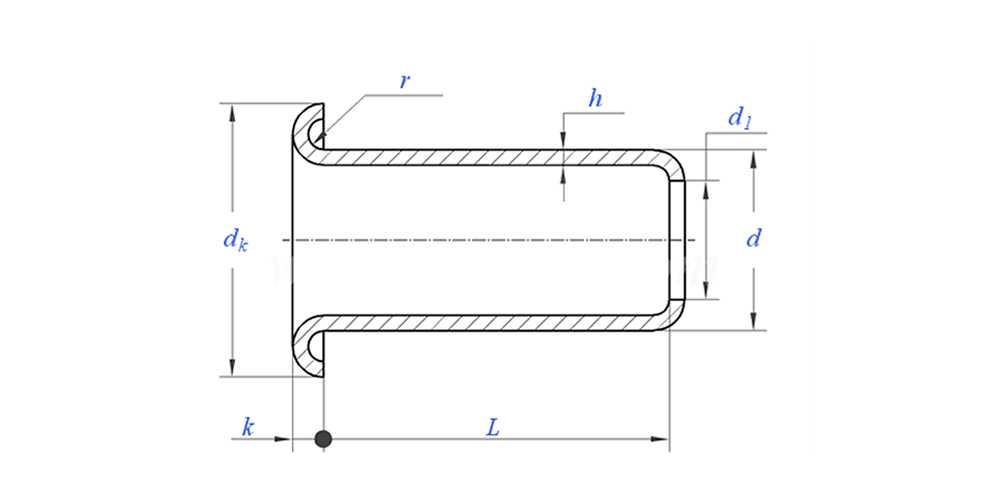
Skoöglor ritar enligt nedan:

Parameter för skoöglor (specifikation)



Material Mässing, stål, aluminium, rostfritt stål, koppar
Ytbehandling Ren, zinkplätering, nickelplätering, silverplätering, enligt önskemål
Certifikat Rohs-kompatibel
Skaftdiameter 0,8-10 mm
Tolerans +/-0,05 mm
Ansökan Lämplig för användning inom olika industrier, inklusive fordon, flyg, el och elektronik, etc.
Kvalitetskontroll 100 % inspektion av hela sortimentet genom produktion säkerställer att varje produkt uppfyller ISO-standarden, vilket garanterar produkter av hög kvalitet.



Applikationsshow:



Skoöglor Funktion och tillämpning

Du ser skoöglor på nästan varje sko med skosnören. Skolskor för barn behöver dem för att hålla i tuff lek. Löparskor använder dem för att hjälpa idrottare att få en säker passform. Även snygga läderskor har skoöglor, men ibland får de dem att se mer dekorativa ut. Utan dessa små metallringar skulle våra skor slitas ut mycket snabbare och vara svårare att ta på.


metallögla Produktionsdetaljer

Förpackningsinformation

Vanliga frågor:

F1: Vad är din MOQ för skorögla?

MOQ för nitar är 20 000 st.


F2: Kan du skräddarsy med vår ritning?

Ja, de flesta av våra tubulära nitar är skräddarsydda med kundens ritning.


F3: Kan du ge gratis prover på de ihåliga nitarna?

Vi kan tillhandahålla gratisprover för den storlek vi har i lager, men kunderna kommer att betala expressavgifterna.


F4: Vad är din leveranstid?

Storlek på nitar i lager: 3-5 dagar, Icke-standardnitar: 15-25 dagar. Vi kommer att göra leveransen så snart som möjligt med garantikvalitet.


F5: Kvaliteten på dina produkter?

Företaget har avancerad produktions- och testutrustning. Varje produkt kommer att inspekteras till 100 % av vår QC-avdelning innan leverans.


F6: Varför väljer vi Nuote Technology?

1.We Nuote respekterar kundvillkoren för att skydda kundernas integritetsprojekt.

2.Hög kvalitet med attraktivt pris

3. Snabb ledtid

4. Glad affär och ärlighet till kund och partner

5. Professionell försäljningsannons svarar på din förfrågan med 8 timmar.

6.Nuotes produkter och tjänster säljs till mer än 70 länder med gott rykte


Hot Tags: Skoöglor, Kina Skoöglor, Skoöglor Tillverkare
Relaterad kategori
Skicka förfrågan
Lämna gärna din förfrågan i formuläret nedan. Vi kommer att svara dig inom 24 timmar.
X
Vi använder cookies för att ge dig en bättre webbupplevelse, analysera webbplatstrafik och anpassa innehåll. Genom att använda denna sida godkänner du vår användning av cookies. Sekretesspolicy