Nitöglor

Nitöglor

Nitöglor är små ringformade fästen. Den är designad för att placeras i ett hål och sedan fälls dess kant ned för att hålla ihop material. Nuote Metals i Dongguan är en pålitlig fabrik för att tillverka dessa användbara delar.

Skicka förfrågan

Produktbeskrivning

Introduktion av nitöglor

Huvudfunktionen hos en nitögla är dess ihåliga centrum. Detta hål gör den lättare än en solid nit. Det tillåter också saker som ledningar eller sladdar att passera igenom. Att installera en nitögla är en snabb och enkel process, det är därför de är mycket populära för produktion.


Application Show:

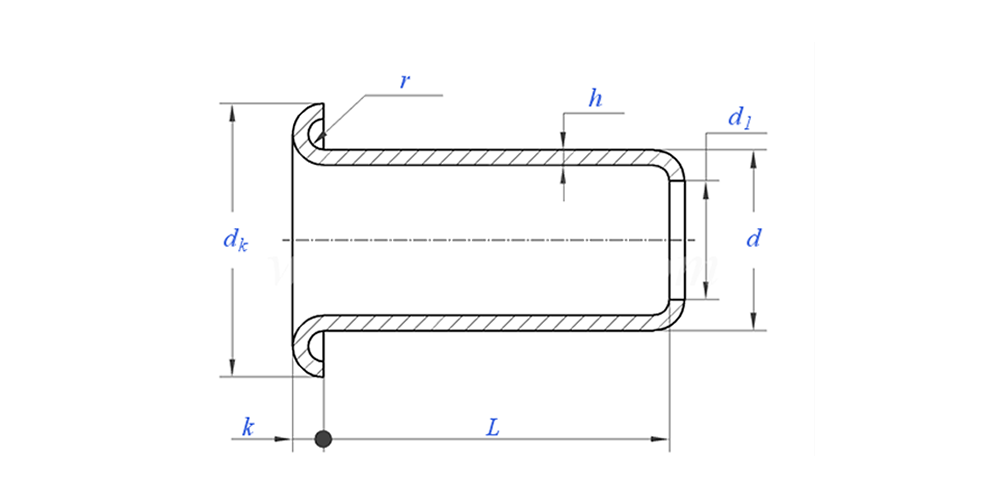
Nitöglor ritar enligt nedan:



Parameter för nitöglor (specifikation)



Material Mässing, stål, aluminium, rostfritt stål, koppar
Ytbehandling Ren, zinkplätering, nickelplätering, silverplätering, enligt önskemål
Certifikat Rohs-kompatibel
Skaftdiameter 0,8-10 mm
Tolerans +/-0,05 mm
Ansökan Lämplig för användning i olika industrier, inklusive fordon, flyg, el och elektronik, etc.
Kvalitetskontroll 100 % inspektion av hela sortimentet genom produktion säkerställer att varje produkt uppfyller ISO-standarden, vilket garanterar produkter av hög kvalitet.




Nitöglor Funktion och tillämpning

Du kan hitta nitöglor i många vanliga produkter. De används i skor för spetshålen och i väskor för remfästen. De är också viktiga inom elektronik och bildelar. I alla dessa användningsområden ger nitöglan en stark och varaktig anslutning.


Nit öljetter Detaljer

Förpackningsinformation

Vanliga frågor:

F1: Vad är din MOQ för nitöglor?

MOQ för nitar är 20 000 st.


F2: Kan du skräddarsy med vår ritning?

Ja, de flesta av våra tubulära nitar är skräddarsydda med kundens ritning.


F3: Kan du ge gratis prover på de ihåliga nitarna?

Vi kan tillhandahålla gratisprover för den storlek vi har i lager, men kunderna kommer att betala expressavgifterna.


F4: Vad är din leveranstid?

Storlek på nitar i lager: 3-5 dagar, Icke-standardnitar: 15-25 dagar. Vi kommer att göra leveransen så snart som möjligt med garantikvalitet.


F5: Kvaliteten på dina produkter?

Företaget har avancerad produktions- och testutrustning. Varje produkt kommer att inspekteras till 100 % av vår QC-avdelning innan leverans.


F6: Varför väljer vi Nuote Technology?

1.We Nuote respekterar kundvillkoren för att skydda kundernas integritetsprojekt.

2.Hög kvalitet med attraktivt pris

3. Snabb ledtid

4. Glad affär och ärlighet till kund och partner

5. Professionell försäljningsannons svarar på din förfrågan med 8 timmar.

6.Nuotes produkter och tjänster säljs till mer än 70 länder med gott rykte


Hot Tags: Nitöglor,Kina Nitöglor, Nitöglor Tillverkare
Relaterad kategori
Skicka förfrågan
Lämna gärna din förfrågan i formuläret nedan. Vi kommer att svara dig inom 24 timmar.
X
Vi använder cookies för att ge dig en bättre webbupplevelse, analysera webbplatstrafik och anpassa innehåll. Genom att använda denna sida godkänner du vår användning av cookies. Sekretesspolicy