PCB-öglor

PCB-öglor

PCB-öglor är små metallringar designade för att installeras i ett kretskort. Det kan se enkelt ut, men det spelar en viktig roll. Människor använder dem för att skapa starka och pålitliga hål i ett PCB. Denna lilla komponent hjälper till att se till att anslutningarna inte skadas under montering eller användning. Nuote Metals hjälper dig gärna att veta mer om öglor för PCB.

Skicka förfrågan

Produktbeskrivning

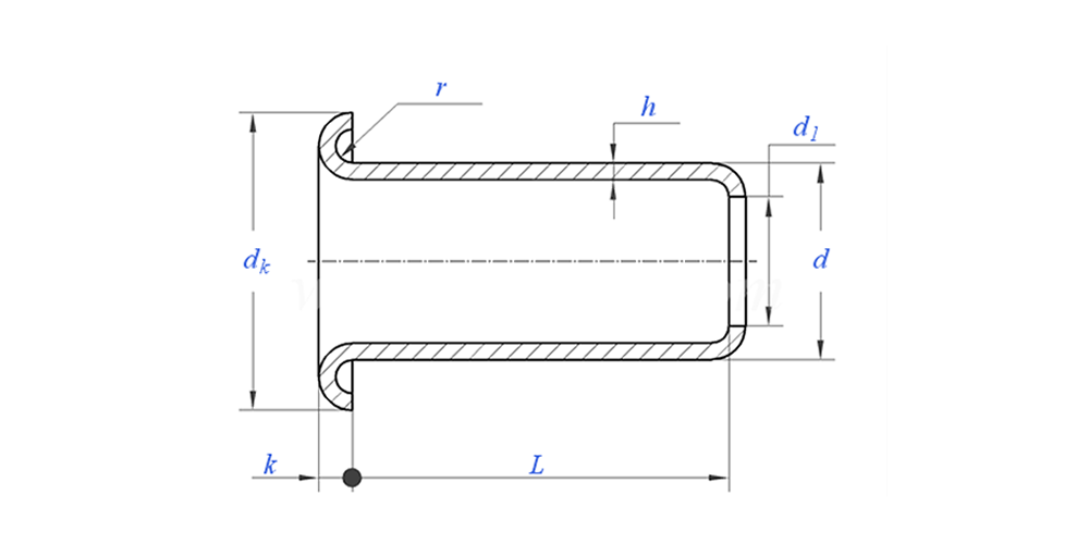
Introduktion av PCB-öglor

Huvuduppgiften för en PCB-ögla är att förstärka ett hål. Den är vanligtvis gjord av mässing och ofta pläterad med tenn eller lod. Detta gör det enkelt att löda komponenter till den. När den pressas in i kortet förstärker en PCB-ögla hålet och förhindrar sprickor i kopparspåret. Den fungerar som en slitstark hylsa som skyddar det ömtåliga kretskortsmaterialet.


PCB-öglor ritar enligt nedan:

PCB Eyelet Parameter (Specifikation)



Material Mässing
Ytbehandling Ren, zinkplätering, nickelplätering, silverplätering, enligt önskemål
Certifikat Rohs-kompatibel
Skaftdiameter 0,8-10 mm
Tolerans +/-0,05 mm
Ansökan Lämplig för användning inom olika industrier, inklusive fordon, flyg, el och elektronik, etc.
Kvalitetskontroll 100 % inspektion av hela sortimentet genom produktion säkerställer att varje produkt uppfyller ISO-standarden, vilket garanterar produkter av hög kvalitet.



PCB-öglor-applikationen visar:


PCB-öglor Funktion och tillämpning

Du hittar PCB-öglor som används i många elektroniska produkter. De är perfekta för platser som behöver en stark anslutningspunkt, som en transformator eller ett stort komponentben. Ett PCB-ögla är också vanligt i testpunkter, där en sond kan ansluta upprepade gånger. I omkopplare eller kontakter säkerställer PCB-öglan att den mekaniska påfrestningen är på metallhylsan, inte själva bräckliga kortet. De är viktiga för att göra elektronik som håller.


PCB-öglor Produktionsdetaljer

Förpackningsinformation

Vanliga frågor:

F1: Vad är din MOQ för PCB-öglor?

MOQ för nitar är 20 000 st.


F2: Kan du skräddarsy med vår ritning?

Ja, de flesta av våra tubulära nitar är skräddarsydda med kundens ritning.


F3: Kan du ge gratis prover på de ihåliga nitarna?

Vi kan tillhandahålla gratisprover för den storlek vi har i lager, men kunderna kommer att betala expressavgifterna.


F4: Vad är din leveranstid?

Storlek på nitar i lager: 3-5 dagar, Icke-standardnitar: 15-25 dagar. Vi kommer att göra leveransen så snart som möjligt med garantikvalitet.


F5: Kvaliteten på dina produkter?

Företaget har avancerad produktions- och testutrustning. Varje produkt kommer att inspekteras till 100 % av vår QC-avdelning innan leverans.


F6: Varför väljer vi Nuote Technology?

1.We Nuote respekterar kundvillkoren för att skydda kundernas integritetsprojekt.

2.Hög kvalitet med attraktivt pris

3. Snabb ledtid

4. Glad affär och ärlighet till kund och partner

5. Professionell försäljningsannons svarar på din förfrågan med 8 timmar.

6.Nuotes produkter och tjänster säljs till mer än 70 länder med gott rykte


Hot Tags: PCB öglor, öglor för PCB, Kina PCB öglor
Relaterad kategori
Skicka förfrågan
Lämna gärna din förfrågan i formuläret nedan. Vi kommer att svara dig inom 24 timmar.
X
Vi använder cookies för att ge dig en bättre webbupplevelse, analysera webbplatstrafik och anpassa innehåll. Genom att använda denna sida godkänner du vår användning av cookies. Sekretesspolicy