Metallöglor

Metallöglor

Du har säkert sett metallöglor många gånger utan att ens märka dem. Det är de där små metallringarna som förstärker hål i alla typer av produkter. En metallögla kan se enkel ut, men den är utformad för att lösa ett vanligt problem: att förhindra att hål slits sönder eller slits ut. Oavsett om det är i dina skor eller din ryggsäck, arbetar den här lilla komponenten hårt för att få saker att hålla längre.

Skicka förfrågan

Produktbeskrivning

Introduktion av Metal Eyelet

Att sätta i en metallögla är ganska enkelt. Du placerar huvuddelen genom materialet och trycker sedan på brickbiten på baksidan. Specialverktyg kan göra detta snabbt, men även enkla verktyg fungerar bra. Det som är bra med en metallögla är hur den skyddar materialet runt hålet från slitage och håller allt snyggt och starkt.


Metal Eyelet-applikation visar:

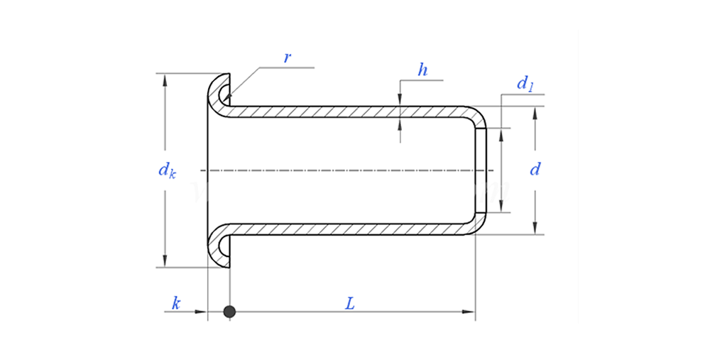
ritning av metallöglor enligt nedan:


Parameter för metallöglor (specifikation)



Material Mässing, stål, aluminium, rostfritt stål, koppar
Ytbehandling Ren, zinkplätering, nickelplätering, silverplätering, enligt önskemål
Certifikat Rohs-kompatibel
Skaftdiameter 0,8-10 mm
Tolerans +/-0,05 mm
Ansökan Lämplig för användning inom olika industrier, inklusive fordon, flyg, el och elektronik, etc.
Kvalitetskontroll 100 % inspektion av hela sortimentet genom produktion säkerställer att varje produkt uppfyller ISO-standarden, vilket garanterar produkter av hög kvalitet.



Metallöglor Funktion och tillämpning

Du skulle bli förvånad över hur många ställen du kan hitta metallöglor som jobbar hårt. De är anledningen till att dina skosnörshål inte går sönder efter upprepad användning. I utomhusutrustning som tält och segel klarar metallöglor tuffa väderförhållanden utan att misslyckas. De är också viktiga i industriella miljöer och hjälper till att organisera kablar och ledningar. Varhelst det finns ett hål som behöver skydd, kommer du förmodligen att hitta en metallögla som gör sitt jobb.


Metal Eyelet Produktionsdetaljer

Förpackningsinformation

Vanliga frågor:

F1: Vad är din MOQ för metallögla?

MOQ för nitar är 20 000 st.


F2: Kan du skräddarsy med vår ritning?

Ja, de flesta av våra tubulära nitar är skräddarsydda med kundens ritning.


F3: Kan du ge gratis prover på de ihåliga nitarna?

Vi kan tillhandahålla gratisprover för den storlek vi har i lager, men kunderna kommer att betala expressavgifterna.


F4: Vad är din leveranstid?

Storlek på nitar i lager: 3-5 dagar, Icke-standardnitar: 15-25 dagar. Vi kommer att göra leveransen så snart som möjligt med garantikvalitet.


F5: Kvaliteten på dina produkter?

Företaget har avancerad produktions- och testutrustning. Varje produkt kommer att inspekteras till 100 % av vår QC-avdelning innan leverans.


F6: Varför väljer vi Nuote Technology?

1.We Nuote respekterar kundvillkoren för att skydda kundernas integritetsprojekt.

2.Hög kvalitet med attraktivt pris

3. Snabb ledtid

4. Glad affär och ärlighet till kund och partner

5. Professionell försäljningsannons svarar på din förfrågan med 8 timmar.

6.Nuotes produkter och tjänster säljs till mer än 70 länder med gott rykte


Hot Tags: Metal öljetter, Kina Metall öljetter, Metall öljetter Factory
Relaterad kategori
Skicka förfrågan
Lämna gärna din förfrågan i formuläret nedan. Vi kommer att svara dig inom 24 timmar.
X
Vi använder cookies för att ge dig en bättre webbupplevelse, analysera webbplatstrafik och anpassa innehåll. Genom att använda denna sida godkänner du vår användning av cookies. Sekretesspolicy