Mässing ihåliga nitar

Mässing ihåliga nitar

Ihåliga nitar i mässing är vanligtvis gjorda av mässingsrör. Mässingsrör är hårda, inte lätta att korrodera och resistenta mot hög temperatur och högt tryck. De kan användas i en mängd olika miljöer. Samtidigt är de lättare att böja, vrida, spricka och bryta än vanliga metaller. Nuote Metals är en professionell tillverkare av ihåliga mässingsnitar i Kina, vi är i denna industri i mer än 10 år.

Skicka förfrågan

Produktbeskrivning

Introduktion av ihåliga nitar i mässing


Ihåliga nitar i mässing (även känd somihåliga nitar i mässing elleröljettnitar) används ofta i kläder, elektronik, elektriska apparater, skor, handväskor, bälten och kläder för nitning, dekoration, fästning och perforering. Ihåliga mässingsnitar kräver omnitning och används för att förbinda tunga arbetsstycken, ofta ej löstagbara strukturer. Ihåliga mässingsnitar används ofta. Dessa manschettförsedda (mindre ände) ihåliga mässingnitar är tillverkade av styva rör och kan penetrera stålplåtar upp till 0,5 mm tjocka utan förborrning. De är resistenta mot böjning och deformation och används ofta i kassaskåp.


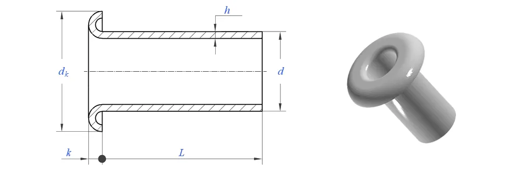
Ritning av en ihålig mässingnit:


Parameter för ihåliga nitar i mässing (specifikation)


Material

mässing

Ytbehandling

Rengör, plätering med nickel, zink, guld, flisa, enligt önskemål

Certifikat

Rohs-kompatibel

Skaftdiameter

0,8-10 mm

Tolerans

+/-0,05 mm

Ansökan

 Lämplig för användning i olika industrier, inklusivefordon, flyg,el och elektronik,  osv.

Kvalitetskontroll

100 % inspektion av hela sortimentet genom produktion säkerställer att varje produkt uppfyller ISO-standarden, vilket garanterar produkter av hög kvalitet.



Mässing ihåliga nitar Funktion och tillämpning


Mässing ihåliga nitar används i en mängd olika industrier. Inom elektronik ansluter de ledningar eller komponenter och utnyttjar deras elektriska ledningsförmåga för att säkerställa signalöverföring. Inom bilindustrin används de för interiörkomponenter eller lätta konstruktioner, eftersom de kan installeras snabbt och utan lödning. I hushållsartiklar som möbler eller dekorativa föremål ger kopparnitar estetiskt tilltalande och pålitliga anslutningar. Andra applikationer inkluderar leksaker, belysning och gör-det-själv-projekt, där lättvikts- och korrosionsbeständighet är fördelaktiga.


mässing ihåliga nitar Produktionsdetaljer


Förpackningsinformation

Vanliga frågor:


F1: Vad är din MOQ för ihåliga mässingsnitar?

MOQ för nitar är 20 000 st.


F2: Kan du skräddarsy med vår ritning?

Ja, de flesta av våra ihåliga mässingnitar är skräddarsydda med kundens ritning.


F3: Kan du ge gratis prover av mässings ihåliga nitar?

Vi kan tillhandahålla gratisprover för den storlek vi har i lager, men kunderna kommer att betala expressavgifterna.


F4: Vad är din leveranstid?

Storlek på nitar i lager: 3-5 dagar, Icke-standardnitar: 15-25 dagar. Vi kommer att göra leveransen så snart som möjligt med garantikvalitet.


F5: Kvaliteten på dina produkter?

Företaget har avancerad produktions- och testutrustning. Varje produkt kommer att inspekteras till 100 % av vår QC-avdelning innan leverans.


F6: Varför väljer vi Nuote Technology?

1.We Nuote respekterar kundvillkoren för att skydda kundernas integritetsprojekt.

2.Hög kvalitet med attraktivt pris

3. Snabb ledtid

4. Glad affär och ärlighet till kund och partner

5. Professionell försäljningsannons svarar på din förfrågan med 8 timmar.

6.Nuotes produkter och tjänster säljs till mer än 70 länder med gott rykte





Hot Tags: Leverantör av ihåliga mässingsnitar, grossistförsäljning av ihåliga mässingsnitar, tillverkare av industriella mässingsnitar
Relaterad kategori
Skicka förfrågan
Lämna gärna din förfrågan i formuläret nedan. Vi kommer att svara dig inom 24 timmar.
X
Vi använder cookies för att ge dig en bättre webbupplevelse, analysera webbplatstrafik och anpassa innehåll. Genom att använda denna sida godkänner du vår användning av cookies. Sekretesspolicy