Stålgenomföring

Stålgenomföring

Hej från Dongguan, Kina. Vi är Nuote Metals. Här tillverkar vi kraftiga stålgenomföringar. Vår fabrik tillverkar stålgenomföringar varje dag. Vi använder bra stålmaterial. Detta stål är tjockt och hållbart. Vi gör stålgenomföringar i många storlekar. Vissa är små. Vissa är väldigt stora. Varje stålgenomföring kontrolleras av vårt team. De tittar noggrant på varje bit. Många kunder köper våra stålhylsor om och om igen. De gillar vår kvalitet. De litar på våra produkter. Vi jobbar hårt för att göra bra stålgenomföringar för alla.

Skicka förfrågan

Produktbeskrivning

Stålgenomföring Introduktion

En stålhylsa är en enkel metallring. Den går in i hål i tyg eller läder. Stålgenomföringen gör hålet starkt. När du sätter rep genom den, går inte hålet sönder. Stålgenomföringar fungerar bra utanför. De rostar inte lätt. Regn och sol skadar dem inte särskilt mycket. För att sätta i en stålgenomföring behöver du en maskin. Maskinen pressar in stålgenomföringen i materialet. Sedan stannar den där länge. Det lossnar inte. Så här hjälper stålgenomföringar att få saker att hålla.



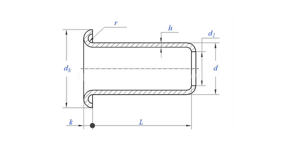
Parameter för stålgenomföring (specifikation)



Material stål
Ytbehandling Ren, zinkplätering, nickelplätering, silverplätering, enligt önskemål
Certifikat Rohs-kompatibel
Skaftdiameter 0,8-10 mm
Tolerans +/-0,05 mm
Ansökan Lämplig för användning i olika industrier, inklusive fordon, flyg, el och elektronik, etc.
Kvalitetskontroll 100 % inspektion av hela sortimentet genom produktion säkerställer att varje produkt uppfyller ISO-standarden, vilket garanterar produkter av hög kvalitet.




Steel Grommet ritning enligt nedan:


Stålgenomföringsfunktion och tillämpning

Stålgenomföringar används på många ställen. Lastbilsöverdrag använder stålgenomföringar för att knyta fast. Tält behöver stålgenomföringar för sina rep. Påsar har stålgenomföringar för sina handtag. Vissa skor använder stålgenomföringar för snören. Arbetskläder har också stålgenomföringar. Utomhusskyltar använder ofta stålgenomföringar för upphängning. Även båtar använder stålhylsor för sina lock. Stålgenomföringar finns överallt. De hjälper till att hålla ihop saker. och göra saker starka och säkra. Våra kunder väljer våra stålgenomföringar för att de fungerar bra. De vet att våra stålhylsor inte kommer att svika dem. Vi är stolta över att göra sådana användbara produkter här i Dongguan.


Stålgenomföringsdetaljer

Stålgenomföring Förpackningsinformation

Vanliga frågor:

F1: Vad är din MOQ för stålgenomföring?

MOQ för nitar är 20 000 st.


F2: Kan du skräddarsy med vår ritning?

Ja, de flesta av våra tubulära nitar är skräddarsydda med kundens ritning.


F3: Kan du ge gratis prover på de ihåliga nitarna?

Vi kan tillhandahålla gratisprover för den storlek vi har i lager, men kunderna kommer att betala expressavgifterna.


F4: Vad är din leveranstid?

Storlek på nitar i lager: 3-5 dagar, Icke-standardnitar: 15-25 dagar. Vi kommer att göra leveransen så snart som möjligt med garantikvalitet.


F5: Kvaliteten på dina produkter?

Företaget har avancerad produktions- och testutrustning. Varje produkt kommer att inspekteras till 100 % av vår QC-avdelning innan leverans.


F6: Varför väljer vi Nuote Technology?

1.We Nuote respekterar kundvillkoren för att skydda kundernas integritetsprojekt.

2.Hög kvalitet med attraktivt pris

3. Snabb ledtid

4. Glad affär och ärlighet till kund och partner

5. Professionell försäljningsannons svarar på din förfrågan med 8 timmar.

6.Nuotes produkter och tjänster säljs till mer än 70 länder med gott rykte

Hot Tags: Stålgenomföring, Kina Stålgenomföring, Stålgenomföring Tillverkare
Relaterad kategori
Skicka förfrågan
Lämna gärna din förfrågan i formuläret nedan. Vi kommer att svara dig inom 24 timmar.
X
Vi använder cookies för att ge dig en bättre webbupplevelse, analysera webbplatstrafik och anpassa innehåll. Genom att använda denna sida godkänner du vår användning av cookies. Sekretesspolicy