Kopparöglor
  • Kopparöglor Kopparöglor

Kopparöglor

Kopparöglor är gjorda av 100 % ren koppar för att garantera stark ledningsförmåga, Nuote Metals tillverkar kopparöglor i Kina i mer än 10 år, huvudtypen kan vara platt, lockig eller försänkt. Alla storlekar kan skräddarsys enligt kundens ritning.

Skicka förfrågan

Produktbeskrivning

Introduktion av kopparöglor


Öljetter används för att skapa små, förstärkta hål i material, vilket gör dem starkare och mer motståndskraftiga mot deformation eller fransning. Dessa hål är designade för att rymma strängar eller öglor som kan föras genom dem, vilket ger extra stöd och hållbarhet. Kopparöglor är gjorda av premiumkoppar, robusta och hållbara, resistenta mot rost och deformation.


kopparöglor


Copper Eyelets


Applikationen för metallöglor visar:


Copper Eyelets



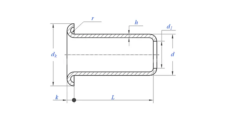
Produktparameter (specifikation)


Material

Koppar

Ytbehandling

Ren, zinkplätering, nickelplätering, silverplätering, enligt önskemål

Certifikat

Rohs-kompatibel

Skaftdiameter

0,8-10 mm

Tolerans

+/-0,05 mm

Ansökan

 Lämplig för användning i olika industrier, inklusivefordon, flyg, el och elektronik,  etc.

Kvalitetskontroll

100 % inspektion av hela sortimentet genom produktion säkerställer att varje produkt uppfyller ISO-standarden, vilket garanterar produkter av hög kvalitet.



Produktfunktion och applikation


Kopparöglor kan enkelt installeras. Slå ett litet hål i arket med en hammare, sätt öglan i hålet och nita med en handstans eller automatisk nitmaskin. kopparöglor används vanligtvis för att reparera pläterade hål i kretskort och även för att skapa en ledande bana genom kretskort för olika applikationer.


kopparöglor Produktionsdetaljer


Copper Eyelets


Förpackningsinformation


Copper Eyelets


Vanliga frågor:


F1: Vad är din MOQ för kopparöglor?

MOQ för nitar är 20 000 st.


F2: Kan du skräddarsy med vår ritning?

Ja, de flesta av våra tubulära nitar är skräddarsydda med kundens ritning.


F3: Kan du ge gratis prover på de ihåliga nitarna?

Vi kan tillhandahålla gratisprover för den storlek vi har i lager, men kunderna kommer att betala expressavgifterna.


F4: Vad är din leveranstid?

Storlek på nitar i lager: 3-5 dagar, Icke-standardnitar: 15-25 dagar. Vi kommer att göra leveransen så snart som möjligt med garantikvalitet.


F5: Kvaliteten på dina produkter?

Företaget har avancerad produktions- och testutrustning. Varje produkt kommer att inspekteras till 100 % av vår QC-avdelning innan leverans.


F6: Varför väljer vi Nuote Technology?

1.We Nuote respekterar kundvillkoren för att skydda kundernas integritetsprojekt.

2.Hög kvalitet med attraktivt pris

3. Snabb ledtid

4. Glad affär och ärlighet till kund och partner

5. Professionell försäljningsannons svarar på din förfrågan med 8 timmar.

6.Nuotes produkter och tjänster säljs till mer än 70 länder med gott rykte





Hot Tags: Kopparöglor
Relaterad kategori
Skicka förfrågan
Lämna gärna din förfrågan i formuläret nedan. Vi kommer att svara dig inom 24 timmar.
Relaterade produkter
X
Vi använder cookies för att ge dig en bättre webbupplevelse, analysera webbplatstrafik och anpassa innehåll. Genom att använda denna sida godkänner du vår användning av cookies. Sekretesspolicy